
服務熱線0519-69655086
JC1.2.3係(xì)列(liè)電動缸

本公司(sī)JC1.2.3係列電動缸是我公(gōng)司新近研發的一款電動缸,整個(gè)電動缸采用高強度(dù)鋁合(hé)金(jīn)材料,具有體積小,重量輕,外形美觀等特點,伸縮速度可達200多毫米每秒,配套製(zhì)動電機(jī),伺服電機等達到自鎖,傳動效率高達45%。推(tuī)杆外行程開關采用電磁感應式,反應靈(líng)敏。
型(xíng)號標注方式;
JC1(2、3)-推力(kgf)-行程(mm)-速度(mm/s)-電(diàn)機(jī)種類(AC/DC)功率(KW)
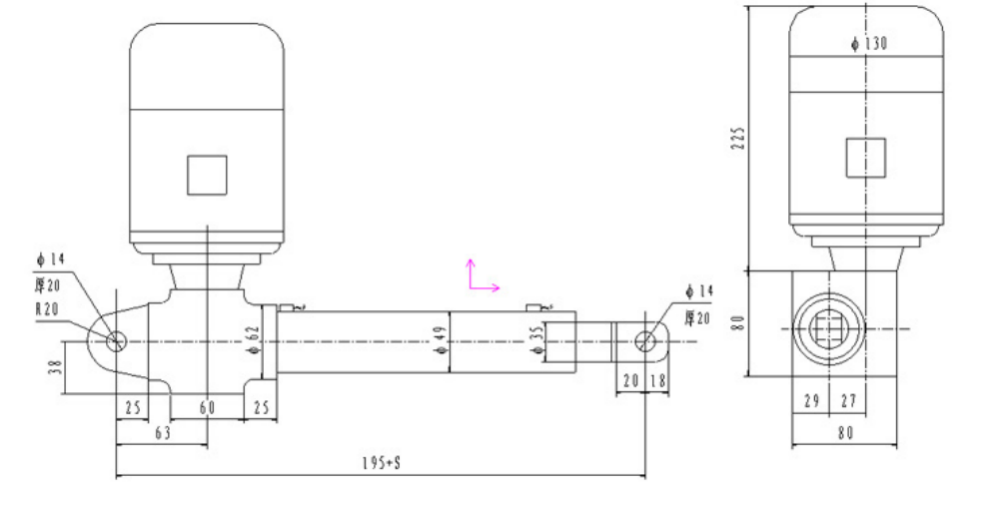
JC1係(xì)列(liè)
外形圖:

參數表(biǎo):

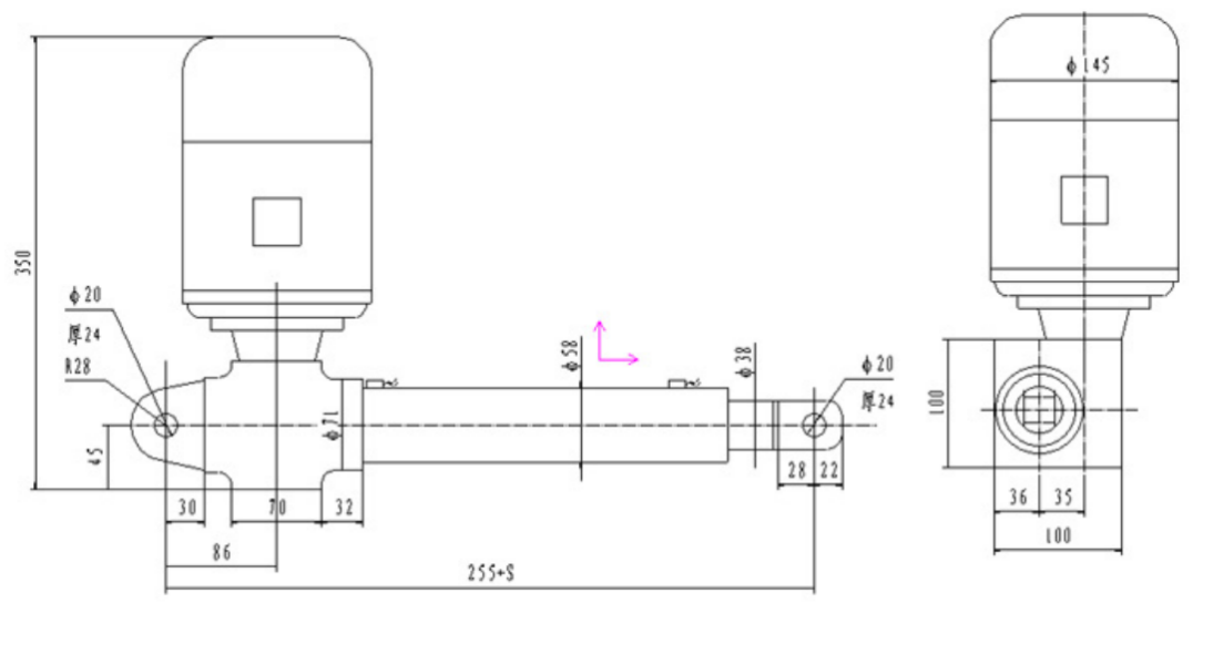
JC2係列
外形圖:

參數表(biǎo):

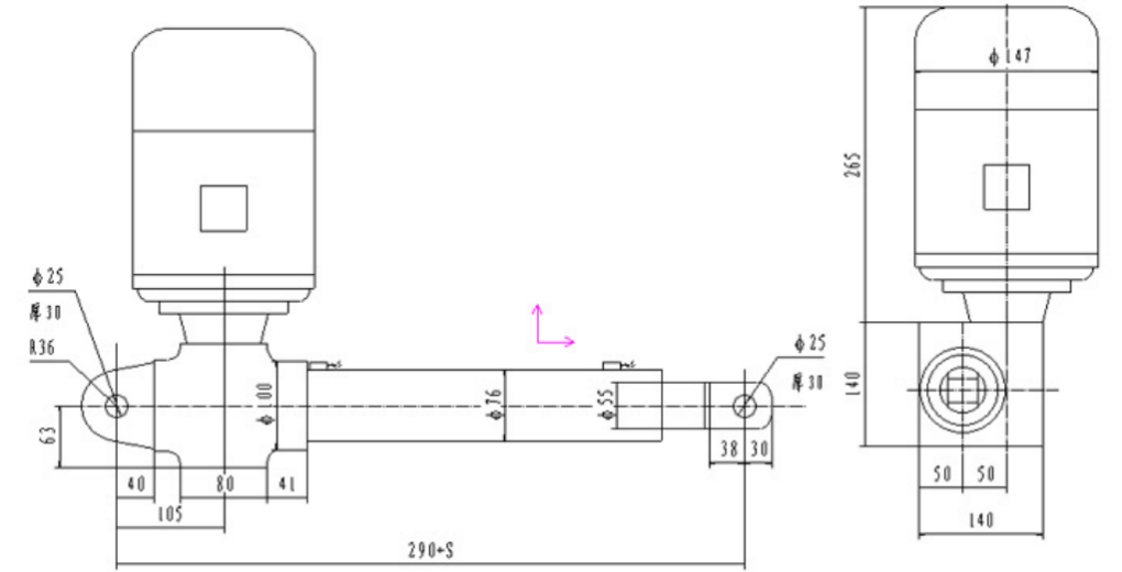
JC3係列
外(wài)形圖:

參數表:

聯係電話
微信掃一掃(sǎo)