
服務熱線0519-69655086


型號標注方式:DTZ 推力(kgf)—行程(mm)-速度(I/II)(mm/s)- 電機種類(AC/DC)功率(KW)
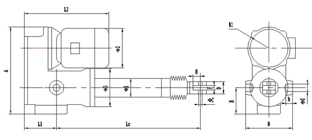
型號 | 推(tuī)拉力 Kg | 速度 | 行程 mm | 電(diàn)機功率 KW | Lc最小 | L1 | L2 | A | ¢1 | ¢2 | ¢3 | ¢C | D | E | F |
B | H |
R1 | ¢G*h | |
I | II | |||||||||||||||||||
DTZ100 | 100 | 42 | 100-700 | 0.12 | 233+S | 84 | 246 | 266 | 57 | 130 | 112 | 12 | 34 | 26 |
16
| 135 | 82 | 65 | 25*20 | |
84 | 0.18 | |||||||||||||||||||
DTZ300 | 300 | 42 | 100-1000 | 0.37 | 205+S | 110 | 280 | 303 | 64 | 141 | 130 | 12 | 43 | 26 | 16 | 160 | 90 | 73 | 25*22 | |
84 | 0.55 | |||||||||||||||||||
DTZ630 | 630 | 50 | 200-1800 | 0.75 | 253+S | 96 | 310 | 348 | 80 | 147 | 160 | 14 | 52 | 35 | 20 | 200 | 上一篇:暫無 下一篇:DT/DTZ推杆(gǎn)
聯係電話 微信掃一掃 | |||